• K-8000D

    K-8000D系统特点

    1、32级—65536级灰度控制,软件Gamma校正处理。
    2、支持各种点、线、面光源,支持各种规则,异形处理。
    3、控制器8个端口输出,每个端口最大可带512灯。
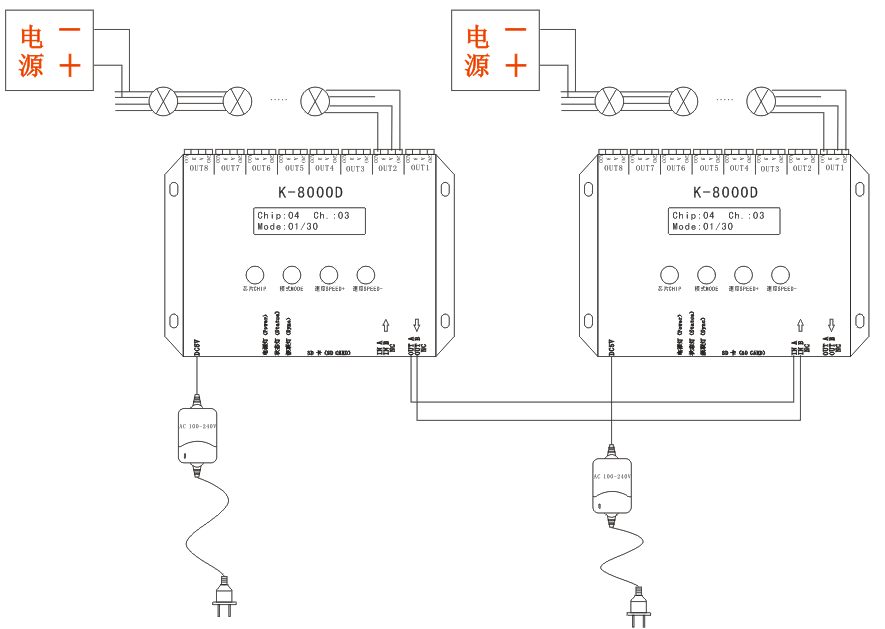
    4、控制器可多台级联使用采用交流同步,自动分割画面,播放内容存放在SD卡中,SD卡容量支持128MB-32GB。
    5、K-8000D最多存放30个文件。
    6、K-8000D已经加入了显示屏,可对控制器进行加密。
    7、控制器自带写址功能。

    接线方式

    具体参数

    储存卡:

    类 型:SD卡
    容 量:128MB—2GB
    格 式:FAT格式
    储存文件:*.led

    物理参数:

    工作温度:-30℃—85℃
    工作电源:DC5V输入
    功 耗:3W
    重 量:0.8Kg

    尺 寸: