• K-4000C产品说明

    K-4000C系统特点


    1、32级—65536级灰度控制,软件Gamma校正处理。
    2、支持各种点、线、面光源,支持各种规则,异形处理。
    3、控制器4个端口输出,每个端口最大可带512/1024灯(DMX灯具最大512像素点以三通道为例)。
    4、播放内容存放在SD卡中,SD卡内最多可存放32个效果文件,SD卡容量支持128MB-32GB。
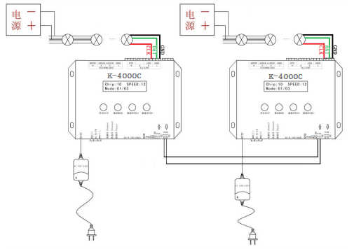
    5、控制器可单台使用,也可多台级联使用,级联采用光电隔离方式:抗干扰、稳定性更好,两台之间的级联距离可达150米,需使用0.5个平方的纯铜电源线。
    6、控制器带载芯片可以在软件上锁定带载的IC,也可以在软件上不锁定,通过调节控制器的芯片按键来选着带载IC,此方案更灵活、方便。
    7、针对DMX灯具的IC控制器自带写地址功能;另外配合我司LedEditV3.26以上版本软件可以进行一键写址功能设置。
    8、支持带载灯具为4通道(RGBW)像素点,或拆分为单通道点像素。
    9、控制器内置效果支持三通道RGB和四通道RGBW。
    10、控制器支持MODBUS第三方控制。
    11、增强TTL和485差分(DMX)信号输出。
    12、控制器自带22种测试效果;自带DMX512通道测试功能。

    常规IC灯具接线方式和级联示意图 DAT/CLK/GND

    具体参数

    物理参数:

    工作温度:-30℃—85℃
    工作电源:直流5V或者直流12-24V输入
    功 耗:2W
    数据传输端口:3pin 接线端子
    重 量:0.35Kg

    储存卡:

    类 型:SD卡
    容 量:128MB—32GB
    格 式:FAT或FAT32格式
    储存文件:*.led

    尺 寸: